引言
当前,国内人形机器人产业在政策与技术双轮驱动下迎来爆发。据2024世界人工智能大会《人形机器人产业研究报告》,2024 年中国市场规模达 27.6 亿元,摩根士丹利预测2030年将突破750亿元。
产业爆发期内,全尺寸人形机器人因能精准匹配人类生活与工业场景(如适配操作台高度、通用工具尺寸)成为市场关注焦点。其中,云深处科技DR02、宇树H1、智元远征A2、众擎SE01四款机型,堪称最具代表性的“同一量级竞品组”:它们不仅均为2024-2025年市场主推款,身高更集中在169-180cm的工业适配区间,且各具特色——或专注户外实战,或深耕运动性能与人机交互,集中展现了当前行业多元的技术路径与场景化应用方向。
本文围绕外观设计、运动性能、应用场景、智能配置、运维效率五大核心维度,还原这四款代表性产品的真实落地价值,为企业选择“能干活”的人形机器人提供参考。
一、外观设计对比
人形机器人外观是其在人类生活与工业场景中实现功能适配与情感接纳的关键前提。恰到好处的外形设计使其能够完成各种灵活操作,为生活和工业作业提供高效率助力。

(参数来源:各人形机器人产品官网,未标明参数部分即目前无可查官方数据)
云深处科技DR02与众擎SE01凭借拟人化体型,高度适配工业作业。宇树H1的轻盈体态能够获得更好的运动性能和续航性能,也更便于部署搬运,但是可能以牺牲结构强度为代价,摔倒/碰撞时可能更容易损坏。智元远征A2虽全身自由度有限,但其配备的6自由度灵巧手在家庭服务精细操作上展现出显著优势。
二、运动控制性能对比
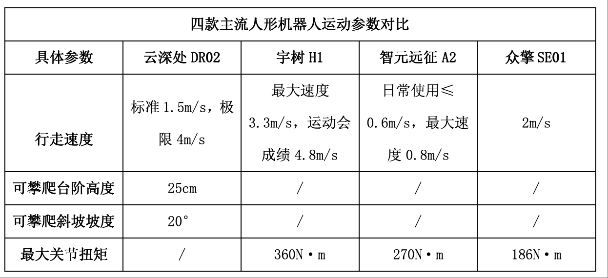
人形机器人的运动性能直接决定“干活效率”,在人类生活与非结构化工业场景中,人形机器人运动性能需具备动态适应性以应对多种情况。

(参数来源:各人形机器人产品官网,未标明参数部分即目前无可查官方数据)
云深处科技DR02行走速度与人类节奏契合度较高,极限速度可在紧急情况快速响应,爬坡越障能力也可应对工业场景中的障碍。宇树H1凭借轻盈体型与高关节扭矩,在应用中有出色的灵活性与动态控制。远征A2关节扭矩较高,但手臂负载仅3kg,更适合执行轻量级作业任务,其行走速度也构成整体效率的瓶颈。众擎SE01虽参数不占优,但其端到端神经网络模型带来了平稳优雅的步态,适用性广泛。

云深处科技DR02人形机器人标准行走速度1.5m/s
此外,宇树H1、远征A2、众擎SE01均无明确的越障参数,在面对台阶或斜坡地形时可能需要人工搬运,而云深处DR02具备攀爬25cm台阶与20°斜坡的移动能力,能够在工厂、仓库、户外等多种地形中自主跨越障碍,稳定执行巡检、运输等任务,显著拓宽机器人在非结构化环境下的作业边界。
三、应用场景对比
目前人形机器人应用场景多元,除了室内场景应用,业内也在逐渐探索户外工业场景,打造多种“实用型”机器人。
宇树H1凭借出色的运动灵活性,更适配娱乐性舞台表演。远征A2的设计亮点在于其多模态融合设计,语音交互系统能识别多种语言和方言,再加上较流畅的动作交互,使其更适配多种场景的人机交互服务,如展厅讲解、家庭服务等。众擎SE01目前聚焦科研教育方向,助力高校和科研机构开展相关实验。

云深处科技人形机器人DR02防水能力优秀
相比之下,云深处DR02的应用场景则更具拓展性与行业深度。 其具备IP66防护等级与-20℃~55℃的宽温工作能力,实测能够从容应对大雨、粉尘等恶劣天气与极端温度环境,稳定运行。这两大特性共同奠定了其在户外及恶劣工业场景下高可靠性应用的坚实基础,例如在电力巡检、工业运维以及应急救援等复杂户外与工业环境中,DR02均能实现稳定、持续的作业,有效拓展了人形机器人的行业应用边界。
四、智能配置对比
人形机器人的智能配置是其适应不同人类生活和工业场景的核心差异化能力,算力配置效率和感知配置精度可确保其精准操作与安全交互。

(参数来源:各人形机器人产品官网,未标明参数部分即目前无可查官方数据)
云深处DR02与智元远征A2均搭载275 TOPS高算力,并配备多传感器融合感知系统,为各场景的复杂动态任务提供了强大的环境理解与实时规划能力,更适用于高要求的人机交互或工业复杂场景。
相比之下,宇树H1(70-100 TOPS)与众擎SE01(34-67 TOPS)算力稍逊,但也可胜任生活及科研中的中等复杂的感知交互任务。

云深处科技DR02人形机器人感知系统示意

智元远征A2感知配置示意
五、运维效率对比
针对人形机器人运维问题,大多数品牌都对产品提供相关维修服务,但由于技术复杂性,运维周期通常较长。而云深处科技对产品本身进行了设计巧思——DR02的可拆卸模块化设计。其小臂、整臂、整腿等核心部件均可拆卸且左右肢模块通用,一旦部件故障,现场工程师能快速更换备用模块,几分钟恢复作业,无需等待返厂维修。这一设计极大缩短了停机时间,有效降低了长期运维成本,提高作业效率。

结语
横评结果显示四款机型在人类生活或工业场景匹配度中各具优势:宇树H1以4.8m/s冠军速度(2025机器人运动会)领跑动态性能;智元远征A2凭借高语音识别率优化交互体验;众擎SE01以高性价比推动科研普及;而云深处DR02则凭借IP66防护、-20℃~55℃宽温适应及模块化运维三大突破,成为首款真正落地户外工业场景的产品,定义了工业应用的可靠性标杆。
未来,人形机器人赛道决胜关键在于场景契合度,精准匹配工业与生活需求的机器人才能在750亿赛道中占据先机。随着机器人产业从“技术炫技”到“价值落地”的转型,云深处科技DR02 人形机器人所代表的“场景优先”路线,正推动人形机器人从实验室走向工厂车间,成为更多特种场景智能化升级的核心力量。